Hydrochorea

Taxonomy

Hydrochorea R.C. Barneby & J.W. Grimes Mem. New York Bot. Gard. 74(1): 23. 25 Mar 1996.

Subfamily: Mimosoideae.
Phylogenetic Number: 2.5.01A.
Tribe: Ingeae.
Species Studied - Species in Genus: 2 studied; 4 in genus.

Description

Fruit: A loment (or a loment segment); (4.5–)5–12.5 cm long (Barneby and Grimes, 1996); 0.75–1.9 cm wide (Barneby and Grimes, 1996); 0.2–0.4 cm thick; 2–9 times longer than wide; with deciduous androecial sheath; with deciduous corolla; with deciduous calyx; without orifice formed by curving of fruit or fruit segments; straight, or curved; not plicate; not twisted; symmetrical, or asymmetrical; oblong, or linear, or falcate; with both sutures nearly straight, or both sutures parallelly curved; not inflated; flattened; with beak, or without beak; straight; with solid beak the same color and texture as fruit; rounded at apex, or tapered at apex (rarely); aligned with longitudinal axis of fruit; tapered at base; aligned with longitudinal axis of fruit; with the apex and base uniform in texture; leathery, or ligneous; seed chambers externally visible; seed chambers with the raised seed chambers not torulose; margin not constricted; margin without sulcus; margin embellished; margin with thickened sutural areas; wing(s) absent; nonstipitate, or substipitate (with pseudostipe, Barneby and Grimes, 1996); with the stipe 1–5 mm long; indehiscent. Replum invisible. Loment an intact article; indehiscent; segments (articles) conspicuous; segments (articles) (5–)5.5–9(–10) mm long (Barneby and Grimes, 1996); segments (articles) widest across seed area; segments (articles) with apical 1 different shape than middle one(s); segments (articles) oblong, or D-shaped (apical segment). Epicarp dull; monochrome; dark brown; with surface texture uniform; pubescent and indurate; with hairs erect; with 1 type of pubescence; minutely puberulent; with pubescence brown; pubescence denser near sutures, sparser centrally; with simple hairs; pliable; with hair bases plain; eglandular; without spines; not smooth; with elevated features; veined; transversely veined relative to fruit length; not tuberculate; not exfoliating; without cracks; without embedded tissue, much thicker than epicarp, running from base to apex. Mesocarp present, or absent; thick; surface not veined; 1-layered; without balsamic vesicles; without fibers; without reniform canals; solid; chartaceous. Endocarp present; visible; dull, or glossy; opaque; monochrome; tan; smooth, or smooth and scurfy (sometimes in a small area under the seed); without adhering pieces of testa; septate; with septa thicker than paper, firm; with septa eglandular; coriaceous; not exfoliating; remaining fused to mesocarp and epicarp; remaining fused to epicarp; without wings; entire. Seed(s) 8–13 (in fruits prior to separation of loments, Barneby and Grimes, 1996); length parallel with fruit length; neither overlapping nor touching; in 1 series. Funiculus 1–2 mm long; of 1 length only; filiform; convoluted, or straight. Aril absent.

Seed: 7.3–10.5 mm long; 4–6 mm wide; 1.5–2 mm thick; not overgrown; not angular; symmetrical; narrowly obovate, or irregular; flattened; with surface smooth; without visible radicle and cotyledon lobes; without hilar sinus; without umbo on seed faces; without medial ridge on each face. Cuticle not exfoliating; not inflated; not wrinkled. Testa present; without pieces of adhering epicarp; not adhering to endocarp; free from endocarp; dull; not modified by a bloom; colored; monochrome; brown; glabrous; smooth; chartaceous. Pleurogram present; 100 %. Pseudopleurogram absent. Fracture lines absent. Rim absent. Wing(s) absent. Raphe not visible. Hilum present; fully concealed; concealed by funicular remnant; without faboid split (assumed); punctiform; apical at apex of radicle tip; flush; not within corona, halo, or rim. Lens discernible; 0.1–0.5 mm long; with margins curved; circular, or elliptic; not in groove of raphe; adjacent to hilum; 0.1–0.2 mm from hilum; recessed; same color as testa; brown; not within corona, halo, or rim. Endosperm present; thin; not pluglike and not resembling tip of radicle; covering entire embryo; adnate to testa. Cotyledons smooth; both outer faces convex; both the same thickness; both more or less of equal length; not folded; margin entire 180 degrees from base of radicle; similar at apex; completely concealing radicle, or partially concealing radicle; split over radicle; without lobes; with the interface division terminating at base of radicle; without margins recessed; tan; inner face flat; glabrous on inner face. Embryonic axis parallel; parallel to length of seed; without a joint evident between the radicle and the cotyledons. Radicle differentiated from cotyledon; bulbose; lobe tip straight; straight with embryonic axis; centered between cotyledons; less than 1/2 length of cotyledons. Plumule well developed; glabrous.

Distribution

Orinoco and Amazon basins, The Guianas, east to Maranhäo and south to the Pantanal of Mato Grosso do Sul in Brazil.

New World; South America (Orinoco and Amazon basins, the Guianas, east to Maranhäo and south to the Pantanal of Mato Grosso do Sul in Brazil); Peru, Brazil, Ecuador, and the Guianas.

Generic Notes

Barneby and Grimes (1996) distinguished this genus from Balizia (2.5.01B) and Abarema (2.5.02) by "its lomentiform fruit adapted to dispersal by water and brown (as opposed to partly translucent) seed-coat.".
 Fruit and seed:  H. corymbosa  (W.P. Rich) - center fruit cluster;  H. marginata  (G. Bentham) R.C. Barneby amp; J.W. Grimes - top fruit, bottom right seed, bottom left fruit cluster.
Fruit and seed: H. corymbosa (W.P. Rich) - center fruit cluster; H. marginata (G. Bentham) R.C. Barneby & J.W. Grimes - top fruit, bottom right seed, bottom left fruit cluster.
 Cotyledon and embryo:  H. corymbosa  (W.P. Rich) - left embryo and cotyledons;  H. marginata  (G. Bentham) R.C. Barneby amp; J.W. Grimes - right embryo and cotyledons.
Cotyledon and embryo: H. corymbosa (W.P. Rich) - left embryo and cotyledons; H. marginata (G. Bentham) R.C. Barneby & J.W. Grimes - right embryo and cotyledons.
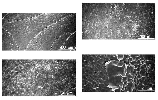
 Testa:  H. corymbosa  (W.P. Rich) - right testa SEMs;  H. marginata  (G. Bentham) R.C. Barneby amp; J.W. Grimes - left testa SEMs.
Testa: H. corymbosa (W.P. Rich) - right testa SEMs; H. marginata (G. Bentham) R.C. Barneby & J.W. Grimes - left testa SEMs.